Доставка 2-4 дня - от 1 500 ₽
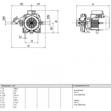
Насос центробежный DAB K 40/22 HA с одним рабочим колесом, предназначенный для повышения давления холодной или горячей воды в домашних хозяйствах или квартирах. K-HA может использоваться для перекачивания воды из открытых водоемов и емкостей, а также может быть установлен непосредственно на трубопроводе для запитывания газовых котлов и колонок. В насос встроен датчик расхода, который запускает и останавливает насос, когда кран водоразбора соответственно открыт или закрыт. Насос укомплектован сетевым кабелем длиной 0,30 метров. Насос спроектирован и сконструирован для перекачивания воды, не содержащей взрывоопасных веществ, твердых частиц или волокон с плотностью, равной 1000 кг/м3, и с кинематической вязкостью равной 1 мм2/сек, и химически неагрессивных жидкостей.
На корпусе насоса находится переключатель режимов:
- В положении I (MAN), насос запускается вручную
- В положении II (AUT), насос запускается автоматически в зависимости от того, открыт водопроводный кран или закрыт
- В положении O (STOP), насос останавливается.
Для включения насоса в автоматическом режиме необходимо давление на всасывающем патрубке не менее 0,5 м.в.с и расход воды не менее 2,5 л/мин
Материалы
| Вал с ротором | Нержавеющая сталь AISI 416 X12 CrS 13 UNI 6900/71 |
| Кольцевая прокладка | Резина NBR |
| Материал корпуса | Чугун с катафорезным покрытием |
| Материал рабочих колес | Технополимер B |
| Мех. уплотнение | Графит/Керамика |
| Обойма | Чугун с катафорезным покрытием |
|
Диаметр всасывающего патрубка
|
3/4" |
|
Диаметр напорного патрубка
|
3/4" |
|
Гарантия
|
2 года |
|
Модель
|
K 40/22 HA |
|
Номинальный ток, А
|
2,54 |
|
Напряжение, В
|
1~ 220 |
|
Частота вращения, об/мин
|
2800 |
|
Степень защиты
|
IP44 |
|
Вес, кг
|
8,9 |
|
Максимальное рабочее давление, бар
|
4/2 (при t жидкости <350С / при t жидкости <650С) |
|
Максимальная температура жидкости, °С
|
100 |
|
Максимальный напор, м
|
18 |
|
Максимальный расход, м³/ч
|
3,5 |
|
Номинальная мощность P2, Вт
|
0,37 |
|
Температура окружающей среды, °С
|
55 |
|
Габаритные размеры, Д×Ш×В, мм
|
280х287х192 |
|
Потребляемая мощность P1, Вт
|
0,57 |
Как оформить заказ
Оформить заказ на нашем сайте легко. Просто добавьте выбранные товары в корзину, а затем перейдите на страницу Корзина, проверьте правильность заказанных позиций и нажмите кнопку «Оформить заказ» или «Быстрый заказ».
Быстрый заказ
Функция «Быстрый заказ» позволяет покупателю не проходить всю процедуру оформления заказа самостоятельно. Вы заполняете форму, и через короткое время вам перезвонит менеджер магазина. Он уточнит все условия заказа, ответит на вопросы, касающиеся качества товара, его особенностей. А также подскажет о вариантах оплаты и доставки.
По результатам звонка, пользователь либо, получив уточнения, самостоятельно оформляет заказ, укомплектовав его необходимыми позициями, либо соглашается на оформление в том виде, в котором есть сейчас. Получает подтверждение на почту или на мобильный телефон и ждёт доставки.
Оформление заказа в стандартном режиме
Если вы уверены в выборе, то можете самостоятельно оформить заказ, заполнив по этапам всю форму.
Заполнение адреса
Выберите из списка название вашего региона и населённого пункта. Если вы не нашли свой населённый пункт в списке, выберите значение «Другое местоположение» и впишите название своего населённого пункта в графу «Город». Введите правильный индекс.
Доставка
В зависимости от места жительства вам предложат варианты доставки. Выберите любой удобный способ. Подробнее об условиях доставки читайте в разделе «Доставка».
Оплата
Выберите оптимальный способ оплаты. Подробнее о всех вариантах читайте в разделе «Оплата»
Покупатель
Введите данные о себе: ФИО, адрес доставки, номер телефона. В поле «Комментарии к заказу» введите сведения, которые могут пригодиться курьеру, например: подъезды в доме считаются справа налево.
Оформление заказа
Проверьте правильность ввода информации: позиции заказа, выбор местоположения, данные о покупателе. Нажмите кнопку «Оформить заказ».
Наш сервис запоминает данные о пользователе, информацию о заказе и в следующий раз предложит вам повторить к вводу данные предыдущего заказа. Если условия вам не подходят, выбирайте другие варианты.
РЕКВИЗИТЫ ООО "АСАО"
| Полное наименование: | Общество с ограниченной ответственностью «АСАО» |
| Сокращенное наименование: | ООО «АСАО» |
| ИНН/КПП: | 7816683749/781001001 |
| ОКПО: | 33818980 |
| ОГРН: | 1187847301531 |
| Юридический адрес: | 196066, г. Санкт-Петербург, муниципальный округ Звездное вн.тер.г., Московский пр-кт, д. 212, лит. А, ОФИС 166Н, ПОМЕЩ. 1 |
| Фактический адрес: | 196066, г. Санкт-Петербург, муниципальный округ Звездное вн.тер.г., Московский пр-кт, д. 212, лит. А, ОФИС 166Н, ПОМЕЩ. 1 |
| Производство - "склад ЮГ" | 188361, Ленинградская область, Гатчинский район, Посёлок Новый Свет, 102В |
| Производство - "склад Север" | 188653, обл. Ленинградская, р-н Всеволожский, д. Вартемяги, ш. Токсовское, д. № 10 |
| Телефон, факс: | +7 (812) 999-04-64 |
| Электронная почта: | sales@asao.ru |
| Сайт: | https://asao.ru |
| Банковские реквизиты: |
БИК: 044525104 Расчетный №: 40702810403500012291 в ООО "Банк Точка" Корр. Cчет: 30101810745374525104 |
О ЦЕНАХ И СКИДКАХ
• На сайте указаны розничные цены c НДС. Розничные цены устанавливаются компанией ООО "АСАО" и
могут отличаться от цен, рекомендованных производителями.
• Скидки предоставляются в зависимости от объема заказа. Постоянным клиентам, монтажникам, строителям
скидки предоставляются на постоянной основе.
• Товары, имеющие значок «%», являются распродажными и на них действуют специальные скидки, также есть
возможность предложить свою цену обратившись к менеджеру.
• Для тендерных поставок и для комплектации крупных объектов цены рассчитываются индивидуально.
• Периодически анонсируются специальные акции на определенные группы товаров, на условия доставки и прочее, о
чем подробно можно узнать у менеджера или в разделе «Новости».
СРОКИ ОТГРУЗКИ ГОТОВОГО ЗАКАЗА
Оплаченный товар хранится на складе в течение 14 дней со дня получения уведомления клиентом о готовности заказа. Если в указанный срок товар не будет получен клиентом, резерв будет расформирован.
СПОСОБЫ ОПЛАТЫ
Оплата заказа возможна после его создания на странице «Оплата и статус заказа». Рекомендуется дождаться подтверждения заказа и получения счёта от нашего менеджера.
Оплата по счету банковским переводом
Безналичный расчет возможен как для юридических, так и для физических лиц. Оплата производится на расчетный счет ООО «АСАО» на основании сформированного счета.
При заполнении бланка банковского перевода обязательно указывайте номер заказа в комментарии к платежу. В случае оплаты счета без указания его номера в платежном поручении, отгрузка товара производиться не будет.
Оплата производится через любой банк, действующий на территории России. При оплате банком может взиматься комиссионный сбор. Денежные средства зачисляются в счет оплаты заказа только после их поступления на наш расчетный счет (перечисление денег может занять от 1 до 3 дней).
Оплата наличными
Оплата наличными возможна при получении заказа, доставленного транспортом ООО «АСАО», а также при получении заказа самовывозом.
Внимание! При покупке некоторых групп товаров требуется внести предоплату. В этом случае после оформления заказа Ваш личный менеджер подготовит договор-счёт, в котором будут указаны сроки поставки товара. Внести предоплату вы сможете удобным для Вас способом.
Оплата в офисе или на складе банковской картой
Оплату заказа возможно произвести через платёжный терминал банковской картой международных платежных систем Visa и MasterCard или российской национальной платежной системы «Мир». Терминалы установлены во всех торгующих точках нашей компании. Официальный сервис-провайдер - Банк «ОТКРЫТИЕ». Платежи принимаются без комиссии.
Online-оплата банковскими картами платежных систем Visa и MasterCard
Для оплаты с компьютера:
1. На сайте asao.ru кликните по ссылке «Оплата и статус заказа» (находится в шапке сайта).
2. Во всплывающем окне введите номер заказа и любой код товара из него и нажмите кнопку «Перейти».
3. Нажмите кнопку «Оплатить заказ»; система предложит Вам ввести сумму оплаты и перейти на страницу сервера системы электронных платежей.
4. Ввести данные пластиковой карты, после чего будет проведена её авторизация. В случае отказа в авторизации карты Вы можете вернуться назад и воспользоваться другими способами оплаты.
Для оплаты на мобильном устройстве:
1. На сайте asao.ru нажмите на иконку «Меню» (левый верхний угол), далее нажмите на вкладку «Проверить заказ».
2. Введите номер заказа и любой код товара из него и нажмите кнопку «Показать статус заказа».
3. Нажмите кнопку «Оплатить онлайн»; система предложит Вам ввести сумму оплаты и перейти на страницу сервера системы электронных платежей GateLine.net.
4. Ввести данные пластиковой карты, после чего будет проведена её авторизация. В случае отказа в авторизации карты Вы можете вернуться назад и воспользоваться другими способами оплаты.
При получении товара, оплаченного этим способом, необходимо будет предъявить паспорт владельца карты либо человека, паспортные данные которого были указаны при покупке.
В случае отмены заказа его стоимость возвращается на карту, с которой была произведена оплата.
БЕЗОПАСНОСТЬ ПЕРЕДАВАЕМОЙ ИНФОРМАЦИИ
Для осуществления платежа Вам потребуется сообщить данные Вашей пластиковой карты. В системе электронных платежей UFS (Универсальная Финансовая Система) безопасность платежей обеспечивается использованием SSL протокола для передачи конфиденциальной информации от клиента на сервер системы электронных платежей UFS для дальнейшей обработки. Дальнейшая передача информации осуществляется по закрытым банковским сетям высшей степени защиты.
Для защиты информации от несанкционированного доступа на этапе передачи от клиента на сервер системы электронных платежей UFS используется протокол SSL 3.0, сертификат сервера (128 bit) выдан компанией Thawte - признанным центром выдачи цифровых сертификатов. Все платежные операции, производимые через сервис электронных платежей GateLine.net, проходят в соответствии со стандартом безопасности PCI DSS версии 2.0.
Доставка по Нижнему Новгороду и Нижегородской области
Водитель-экспедитор осуществит доставку по обозначенному вами адресу. Выдача заказа будет совершаться бесконтактным способом. Проведите время с пользой, мы обеспечим вас необходимым оборудованием.
Ограничения по массе и объёму заказа при самовывозе, а также информация о наличии погрузчика уточняйте у менеджера. Стоимость и сроки доставки габаритного товара (септики, изоляция для труб, все трубы длиной более 4 метров) или любая доставка объёмом более 10 куб. м. согласовываются с менеджером дополнительно. Подробную информацию по условиям доставки можно узнать у персонального менеджера по телефону в городе Нижний Новгород +7 812 999-04-64 или по электронной почте sales@asao.ru.
*Доставка в регионы России осуществляется транспортной компанией по 100% предоплате
Доставка в регионы России
· «Деловые линии» (письмо-запрос на отгрузку компанией «Деловые линии»);
· Другими транспортными компаниями по согласованию с менеджером (письмо-запрос на отгрузку др. транспортными компаниями);
· Для осуществления доставки заказов другими транспортными компаниями (кроме ДЛ, ПЭК, ВОЗОВОЗ), требуется заказывать услугу экспедирования с наших складов/офисов.
Для согласования отправки товара через транспортную компанию покупатель предоставляет письмо-запрос на отгрузку через выбранную транспортную компанию. Клиентам-юридическим лицам также нужно предоставить копию доверенности на право подписи письма.
При приёмке товара необходимо удостовериться в том, что упаковка и печати не нарушены. Если упаковка нарушена,
составляется акт о нарушении упаковки и комплектности. Акт обязан подписать экспедитор. После этого заверенный акт
отправляется компании ASAO.
Риск случайной утраты или повреждения изделия переходит к покупателю с момента передачи товара в транспортную
компанию.
ДОКУМЕНТЫ
Внимание! Отпуск товара юридическим лицам производится только при наличии оригинала Доверенности формы М-2 и М-2а заверенной оригинальными подписями (не факсимиле) или Печати.
Доверенность на получение ТМЦ, форма М-2 (бланк)Доверенность на получение ТМЦ, форма М-2 (образец заполнения)
Отгрузка также возможна по Генеральной Доверенности в течение срока её действия, если нам один раз предоставили её оригинал. При получении товара достаточно будет предъявить паспорт.
Генеральная доверенность на получение ТМЦ (бланк)
Гарантийные обязательства
Поставляемая нами продукция отвечает высочайшим европейским и российским стандартам качества. Все товары, подлежащие обязательной сертификации, сертифицированы согласно законодательству Российской Федерации. С сертификатами качества можно ознакомиться на нашем сайте в разделе «Партнеры», либо на товарных карточках.
Гарантийные обязательства распространяются на весь ассортимент и действуют в течение года с момента отгрузки. Для некоторых групп товаров производителем предоставляется расширенная гарантия. Вы можете запросить более полную информацию при оформлении заказа.
Гарантия не распространяется на случаи, когда монтаж произведен компанией, не имеющей лицензии на данный вид работ, и перестает действовать при нарушении инструкций по монтажу и эксплуатации.
Гарантийное и послегарантийное сервисное обслуживание осуществляются авторизованными сервисными центрами (АСЦ) производителей оборудования.
С какого момента начинается гарантия?
- с момента передачи товара потребителю, если в договоре нет уточнения;
- если нет возможности установить день покупки, то гарантия идёт с момента изготовления;
- при заказе товара из интернет-магазина гарантия начинается со дня доставки.
Обслуживание по гарантии включает в себя:
- устранение недостатков товара в сертифицированном сервисном центре;
- обмен на аналогичный товар без доплаты;
- обмен на похожий товар с доплатой;
- возврат товара и перечисление денежных средств на счёт покупателя.
Правила обмена и возврата товара:
Обмен и возврат продукции надлежащего качества
Продавец гарантирует, что покупатель в течение 7 дней с момента приобретения товара может отказаться от товара надлежащего качества, если:
- товар не поступал в эксплуатацию и имеет товарный вид, находится в упаковке со всеми ярлыками, а также есть документы на приобретение товара;
- товар не входит в перечень продуктов надлежащего качества, не подлежащих возврату и обмену.
- товар не изготавливался под заказчика с согласованием перед изготовлением.
Покупатель имеет право обменять товар надлежащего качество на другое торговое предложение этого товара или другой товар, идентичный по стоимости или на иной товар с доплатой или возвратом разницы в цене.
Обмен и возврат продукции ненадлежащего качества
Если покупатель обнаружил недостатки товара после его приобретения, то он может потребовать замену у продавца. Замена должна быть произведена в течение 7 дней со дня предъявления требования. В случае, если будет назначена экспертиза на соответствие товара указанным нормам, то обмен должен быть произведён в течение 20 дней.
Технически сложные товары ненадлежащего качества заменяются товарами той же марки или на аналогичный товар другой марки с перерасчётом стоимости. Возврат производится путем аннулирования договора купли-продажи и возврата суммы в размере стоимости товара.
Возврат денежных средств
Срок возврата денежных средств зависит от вида оплаты, который изначально выбрал покупатель.
При наличном расчете возврат денежных средств осуществляется на кассе не позднее через через 10 дней после предъявления покупателем требования о возврате.
Зачисление стоимости товара на карту клиента, если был использован безналичный расчёт, происходит сразу после получения требования от покупателя.
При использовании электронных платёжных систем, возврат осуществляется на электронный счёт в течение 10 календарных дней.